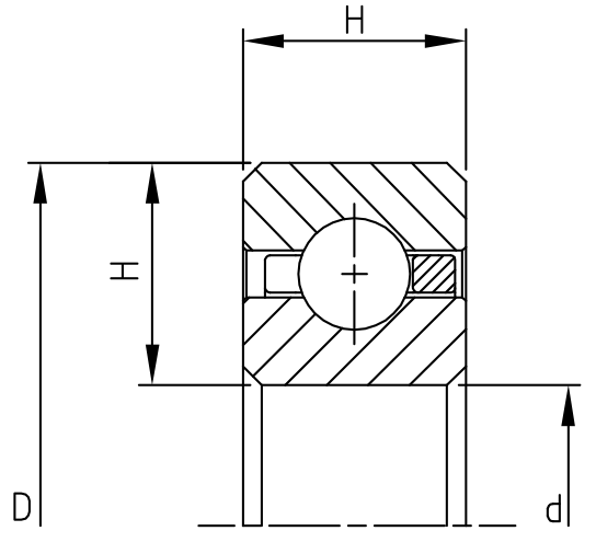
公制等截面薄壁深溝球軸承 所屬分類:等截面薄壁軸承 發布時間:2022-08-22 公制等截面薄壁深溝球軸承 C型深溝球軸承是內外圈帶有超深溝(滾道溝槽深度=球直徑的25%)的單列深溝球軸承。 上一篇 : 英制等截面薄壁角接觸球軸承 下一篇 : 英制等截面薄壁深溝球軸承